Latest information about coronavirus COVID-19 online services and MyAccount customer services and how to make a complaint. Sep 22 2021.
Ignition System Wiring Diagram 1992 1995 1 5l Honda Civic
1 inch vertical screen head unit for 2015 - 2019 Chevy Colorado and GMC Canyon Install.

. IT RAN LIKE new NEVER had a problem i had taken off my smog pump and replaced it with a pulley wheel. In subscribing to our newsletter by entering your email address you confirm you are over the age of 18 or have obtained your parentsguardians permission to subscribe. Buy now or save more at auction.
In the process I unplugged the ccrm while the battery was still connected after I finished installing the pulley wheel and reconnecting the ccrm I went to crank the car and it wouldnt crank. 78 Themen 312 Beiträge Letzter Beitrag von SAD am Montag 31. Click to get the latest Where Are They Now.
94 Themen 556 Beiträge Letzter Beitrag von BernhardS am Freitag 4. Suche Biete - Pinnwand Kleinanzeigenmarkt nur für Elektronikartikel Links zu ebay sind nicht erwünscht. I have a 94 mustang GT 50.
I Didn T Even Own This Truck 24 Hrs And I Broke It Was Super Clean. I tried connecting a code scanner to read the. Jeprianor bersama Budi Febian DPO berupaya menyetubuhi DL alias DW 23 usai mengintip korban mandi di barak yang ditempatanya tersebut.
Ford F-150 2009-2012 1 Install. Aktuelle Themen Antworten Zugriffe Letzter Beitrag. Nur Verkauf von privat.
Miele G 770 SC von. Ford F-150 2009-2012 Dec 17 2021 Instrument Panel Wiring Diagram 1997 Chevy Cheyenne c2500.
95 Gsr Fuel Pump Wont Turn On Wiring Issue Pls Help Page 4 Team Integra Forums
1999 Honda Civic Fuel Injector Wiring Diagram Under Repository Circuits 21290 Next Gr
Radiator Fan Not Coming On When Hot Any Elect Gurus Acura World
Acura Coupes And Sedans 1994 2000 Wiring Diagrams Repair Guide Autozone
Integra Tcm Wiring Schematic For Auto Swap Honda Tech Honda Forum Discussion
1991 Acura Integra Ignition And Starter I Replaced My Starter On
All Wiring Diagrams For Acura Integra Gs 2000 Wiring Diagrams For Cars
I Have A 1993 Acura Integra Ls With No Spark Replace The Dist And The Pcm Main Switch Switch Under The Dash On The
Acura Integra Stereo Wiring Diagram Alloy Wheel Acura Integra Car Gallery Acura Integra Stereo Wiring Diagram Diagram Dodge Ram Radio
Obd1 Distributor Wiring Diagram Honda Tech Honda Forum Discussion
Ignition System Wiring Diagram 1992 1995 1 5l Honda Civic
Acura Integra 1994 1997 Fuse Box Diagram Auto Genius
12 5a Engine Wiring Diagram Engine Diagram Wiringg Net Diagram Acura Integra Ls Engine
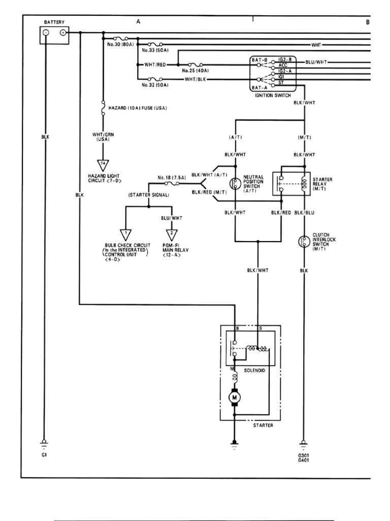
1990 Acura Integra Starting System Wiring Diagram Under Repository Circuits 21298 Next Gr
All Wiring Diagrams For Acura Integra Rs 1996 Model Wiring Diagrams For Cars
All Wiring Diagrams For Acura Integra Rs 1996 Model Wiring Diagrams For Cars
Need Help Testing My Ignition There Is Information About Testing
Tidak ada komentar:
Posting Komentar